EXP12系列远程I/O模块

EXP12-1V型远程I/O模块

EXP12-2V型远程I/O模块

12路输入和12路输出端口,RS-485通信方式,远程控制与数据采集.

1V型的基础上,支持多种脉冲控制模式步进/伺服电机

一、产品概述

EXP12系列远程I/O模块是一款高性能、高可靠性的工业级远程控制与数据采集设备,专为简化现场布线、提升系统响应速度和扩展控制能力而设计。该模块提供12路数字输入端口和12路数字输出端口,支持有线(RS-485)和无线(LoRa/WiFi)通信方式,采用标准MODBUS-RTU协议,适用于PLC、工控机等上位机系统。

本模块广泛应用于工业自动化、智能制造、智慧农业、楼宇自控、能源管理等领域,可显著减少现场电缆数量,降低安装成本,提高系统的灵活性与可维护性。

模块核心采用STM32系列高性能单片机,内置OLED显示屏,实时显示输入/输出状态及通信耗时,操作直观、调试便捷。支持波特率与设备地址灵活配置,并具备硬件与软件双重看门狗机制,确保系统长期稳定运行。

二、工作方式

本模块支持两种工作模式:双机直连模式和主从通信模式,连接方式为双绞电缆或者无线通信。采用标准 MODBUS-RTU协议,以 RS-485方式通信。用户可根据实际应用场景灵活选择。

1、双机直连方式

在该模式下,两个EXP12模块成对使用,实现点对点的远程IO状态同步。模块A的输入状态直接控制模块B的输出状态,反之亦然。适合对实时性要求较高的场合。

支持多对并行:最多支持10对模块共用一条485总线,通过差分信号传输技术实现近乎无延迟通信,大幅减少布线成本。

2、主从通信方式

当上位机(如PLCI/O端口资源不足时,可通过主从模式将EXP12模块作为远程扩展IO单元,实现12路输入和12路输出的扩展。

一台PLC作为主机,可以控制多个EXP12从机模块。

三、EXP12系列产品型号与功能对比:

参数

EXP12-1V 型

EXP12-2V 型

屏幕尺寸

1.3英寸 OLED

1.5英寸 OLED

输出类型

OC门开关输出(通断型)

OC门开关输出

脉冲功能

不支持

Y1~Y4、Y7、Y8支持脉冲/PWM输出

控制能力

指示灯、气缸、继电器、电机启停

支持步进/伺服电机、调速、调光、调声

工作模式

仅支持通断控制

支持多种脉冲控制模式(PLSR、PLSY、PLSV等)

适用场景

基础IO扩展、状态监测

高级运动控制、模拟量调节

12路输入端信号既可以是传感器信号,也可以是开关量信号。

12路输出端为VMOS 管的OC门开关结构,额定负载电流不小于5A

四、技术参数:

1、通用参数

品牌:eeshare

模组型号:EXP12-1V / EXP12-2V

工作电源:DC5V~36V(宽压输入)

空载额定功耗:1.5W

显示单元:OLED屏幕(实时显示IO状态、通信耗时)

通信协议:MODBUS-RTU默认通信格式:9600n81

通信接口类型:RS-485RS-232(预留,用于无线模块扩展)

工作温度:-20°C  ~  +70°C

存储温度:-40°C ~ +85°C

防护等级:IP20(标配透明防尘罩)

产品尺寸:145x90x40mm

安装方式:标准35mm导轨安装或螺丝固定

2、输入/输出特性

输入端口(X1~X12)类型:干接点或电平信号,支持传感器、开关、按钮等信号接入

每个端口配备25103P插座,便于接线

输出端口(Y1~Y12)类型:VMOSOC门输出,最大负载电流5A,支持直接驱动指示灯、电磁阀、小型电机等负载

- 内部VDDGND共用,仅需一个端口外接电源

3、通信参数

波特率(4800bps~115200bps) ,波特率可以更改,其他通信格式不能更改。

从机地址(00~99)

4、2V型模块特性

EXP12-2V可通过标准 MODBUS-RTU协议接受上位机如PLC的脉冲控制命令。

1路到第4路以及第7路和第8路输出等总共6个端口可以输出不同频率或者不同占空比的脉冲控制信号,控制步进电机的驱动器,从而控制步进电机等需要脉冲控制的电机,或者以PWM脉宽调制方式调速、调光、调声。

内置多种工作模式,通过MODBUS-RTU命令码0x1016):(写多个寄存器)方式,向模块设置脉冲频率、占空比、加减速时间等必要参数,模块可自主运行,无需主机持续干预。

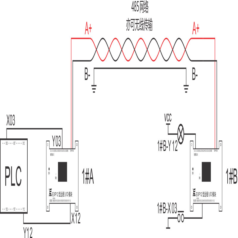
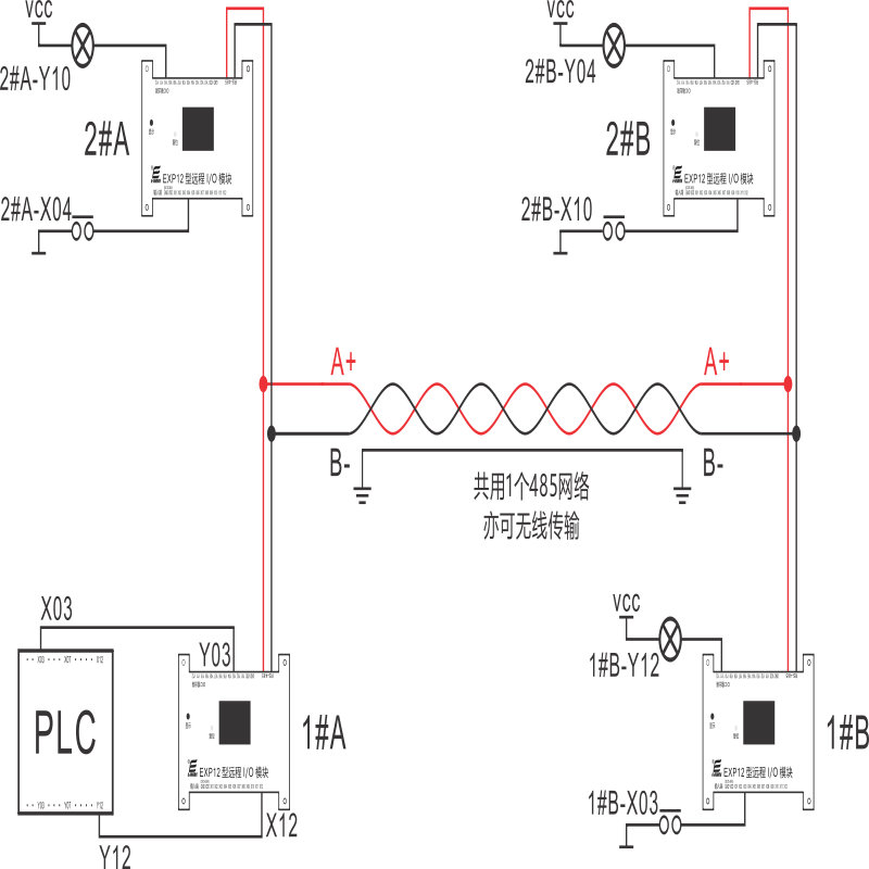
五、接线示意图:


六、波特率和ID地址的设定:

模块在开机或复位后2秒内,可通过“显示键”进入参数设置模式。

七、通信连接结构图例

通过RS-485双绞线网络传输,也可以通过无线模块进行无线传输(预留有RS-232接口用来转接无线模块)

1、双机直连方式

- 模块A与模块B通过RS-485连接

- AX端口控制BY端口,BX端口控制AY端口

- 适用于点对点远程控制

2、PLC控制双机直连方式

- PLC连接模块A,模块B连接远端设备

- 实现PLC对远端设备的控制与状态采集

3、多机直连方式

- 多组模块共用一条485总线

- 每对模块使用不同地址(00~09),互不干扰

- 支持最多10对模块并行运行

4、上位机如PLC主机控制多从机方式

- 一台PLC作为主机,连接多个EXP12从机(地址10~99

- 支持RS-485有线或无线通信(需无线转接器)

- 可实现一对多远程IO扩展

5、2V型高级控制

- 一台PLC作为主机,连接多个EXP12从机(地址10~99

- 2V型模块的Y1~Y4,以及Y7Y8等总共6个端口可以产生脉冲信号,输出不同频率或者不同占空比的脉冲控制信号,控制步进电机的驱动器,从而控制步进电机等需要脉冲控制的电机,或者以PWM脉宽调制方式调速、调光、调声。

- Y1~Y4共用时钟,支持同频不同占空比PWM输出

*** 命令码0x1016):写多个寄存器的格式

本命令码仅2V以上版本有效,可以脉冲控制步进电机伺服电机,也可以PWM脉宽调制方式调整直流电机转速,灯光的亮度,声音的响度。

有多个功能模式实现不同的功能。

1、功能1号模式,类似PLC的PLSR命令,带加减速脉冲输出

模式说明:在加速时间内将频率从0升高到最高频率,然后稳定运行,在脉冲数接近总数时,开始在减速时间内将频率降低直至脉冲数到设定值后停机。

2、功能2号模式,类似PLC的PLSY命令

模式说明:如果有脉冲数,则工作方式等同于模式1 脉冲数为0,在加速时间内将频率从0升高到最高频率,然后稳定运行,直到停机X端口有效后,开始在减速时间内将频率降低至零后停机。

3、功能3号模式,改进的PLSV命令

模式说明:如果有脉冲数,则工作方式等同于模式1

模式说明:在加速时间内将频率从0升高到最高频率,然后稳定运行,当减速X端口有效后,开始在减速时间内将频率降低至缓动频率后继续运行,当停机X端口有效后立即停机。

4、功能6号模式,PWM控制模式

模式说明:在加速时间内将占空比从0升高到设定占空比后稳定运行,当停机X端口有效后在减速时间内减少占空比到10%后再降频停机。

5、功能7号模式,PWM控制模式,呼吸灯效果,三角波形态

模式说明:在加速时间内将占空比从设定占空比加宽到100%,然后在减速时间内减小占空比到起始占空比,以三角波形态循环往复。当停机X端口有效后在减速时间内减少占空比到10%后再降频停机。

6、功能8号模式,PWM控制模式,呼吸灯效果,锯齿波形态

模式说明:在加速时间内将占空比从设定占空比加宽到100%,然后再从起始占空比加宽到100%,以锯齿波形态循环往复。当停机X端口有效后在减速时间内减少占空比到10%后再降频停机。